0 我的购物车

购物车中还没有产品,赶紧去选购吧!

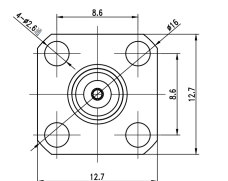
产品目录 > 射频电缆组件 > 精密测试线缆组件 > YGT22/HC220精密测试线缆 > 2.92mm公头-2.92mm母头带法兰精密测试线缆,四孔法兰孔距8.6mm,配接YGT22/C220线缆,DC-40GHz

2.92mm公头-2.92mm母头带法兰精密测试线缆,四孔法兰孔距8.6mm,配接YGT22/C220线缆,DC-40GHz

型号 CA40-2.92-J/KF-T22-XXX
价格表
数量 1-9 10-20 20+
价格 ¥300.00 ¥292.00 ¥0.00
线缆长度
标准长度
300 600 800 1000 1200 mm
自定义长度
单价 ¥292.00 /PCS  
数量
- +
发货周期 3-7天

image.png

Configuration

Connector 1

2.92公头

Connector 2

2.92母头四孔法兰,孔距8.6mm

Cable Diameter

2.4-2.6mm

Electrical Specifications

Impedance

50Ω

Frequency Range

DC-40GHz

VSWR

≤1.3

Insertion Loss

datasheet

Environment Data

Working Temperature

-40℃ ~ +125℃

Mechanical properties

Bending Radius

26mm


扫码添加客服微信咨询

电话:13488760774

邮箱:sales@szyuge.com

我的购物车 我的地址
13488760774 sales@szyuge.com 添加客服微信

扫描添加客服微信

您可以获得:
1.更高效的沟通体验
2.更快速的报价通知
3.更方便的接询单体验